4b Schematic Raspberry Pi 4 Pinout
The raspberry pi model b board revision 1 0 contains a single 26 pin expansion header labeled as p1 providing access to 17 gpio pins.
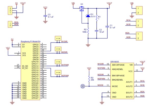
4b schematic raspberry pi 4 pinout. The comprehensive gpio pinout guide for the raspberry pi. As shown in the below diagram each pin has a specific purpose. Click the image for an enlarged version. Raspberry pi model b.
Raspberry pi is a small sized computer used linux operating system. A single raspberry pi 4 comes to a quad core. Schematics for the various raspberry pi board versions. This is the configuration of the pins as you ll receive it when you first boot up raspbian or noobs with raspbian.
This gpio pinout is designed to be both a quick and interactive reference to the raspberry pi gpio pins plus a comprehensive guide to your raspberry pi s gpio interfaces. Raspberry pi gpio pinout raspberry pi model 4b has 40 gpio pins in total stacked in 20 x 2 array. Raspberry pi 4 b rp4 is the lasted model developed by the company which has all the required latest wired and wireless communications systems used in most of the smart projects. It is mini size computer used mostly to run larger and smart programs to achieve output quickly.
The pi4b has 1x raspberry pi 2 lane mipi csi camera and 1x raspberry pi 2 lane mipi dsi display connector. Documentation hardware raspberrypi schematics schematics. P1 pinout 26 pin header the diagram below illustrates the gpio pinout using the pi4j wiringpi gpio numbering scheme. 5 3 usb the pi4b has 2x usb2 and 2x usb3 type a sockets.
These connectors are backwards compatible with legacy raspberry pi boards and support all of the available raspberry pi camera and display peripherals. Here is the raspberry pi 4 default gpio pinout for the 40 pin j8 header. Raspberry pi 2 model b. The raspberry pi 4 has undergone extensive compliance testing and meets a number of regional and international standards.
Headless raspberry pi setup december 10 2018 raspberry pi 3b gpio layout pinout 12e nodemcu esp8266 raspberry pi 4 model b pinout raspi 0w pinout raspberry pi 3b pinout rpi 2 b pinout pinout v3 nodemcu esp8266 raspberry pi gpio 40 pinout la3 pinout rs485 pi raspberry pi gpio map raspberry pi 2 pinout raspberry pi model 3b raspberry pi 3b pin diagram rpi 3b pinout raspberry pi. It also includes dozens of pinouts for raspberry pi add on boards hats and phats. July 09 2020 raspberry pi 4 model b pinout raspberry pi foundation raspberry pi raspberry pi 4 news raspberry pi 4 fan connector raspberry pi 4 model b heatsink raspberry pi 4 model b 2gb sbc raspberry pi kit 4 raspberry pi 4 components raspberry pi 4 b board layout raspberry pi 4 model b schematics raspberry pi 1 model b raspberry pi 4 laptop kit aspberry pi 4 model raspberry. Raspberry pi 4 model b.
Raspberry pi 3 model b. Raspberry pi 3 model a.
